浪涌簡介
在工業通訊現場,雷電過電壓、落雷引發出的誘導雷浪涌,還有電源系統(特別是帶很重的感性負載)開關切換引起的浪涌,這些浪涌產生的瞬態過壓和過流,從而導致數據總線通訊網絡癱瘓甚至使元器件發出錯誤的信號,會給用戶帶來很大的損失。現在防雷、防浪涌和防過電壓這些都是總線設計必須考慮的因素,今天小編就和大家聊一聊常用總線防浪涌保護的那些事兒。
通常所說的防浪涌,有兩個類型:一個是共模,一個差模。雷電或大電流切換時產生的浪涌一般是共模的,差模形式的浪涌往往是由于數據電纜附近有高壓線經過,數據線纜和高壓線之間因絕緣不良而產生的,雖然差模比共模產生的電壓和電流小得多,但它不像共模那樣只維持很短的時間,而會在數據通信網絡中較長時間內穩定存在。光耦或磁耦器件標稱的耐壓是共模,也就是前端到后端之間的耐壓。如果超過這個耐壓,前端后端都一起燒壞;元器件不會標稱差模的耐壓,差模耐壓能力由電路的設計決定,差模電壓超過電路承受范圍,前端燒壞,后端不會燒壞。
常規浪涌防護方案——分立方案
防浪涌電路通常分為隔離法和規避法。隔離法就是采用光耦合器或磁耦合器,將輸入和輸出信號隔離分開,只要浪涌產生的電壓幅值不超過器件標稱的值,光耦或磁耦就不會損壞,即使浪涌電壓長時間存在也不會對隔離的設備產生損害。這類隔離法只能抑制共模形式的浪涌,不能抑制差模形式的浪涌。(這里說的浪涌,主要是由于落雷而發生的誘導雷浪涌、電路系統內浪涌等,直擊雷不屬于討論范圍)。
規避法就是主設備的地連在一起形成單點接地,一旦有浪涌出現就可安全轉移浪涌能量,此外有必要增加一些抑制浪涌的器件。能將浪涌所產生的有害電流在到達數據端口前泄放到地回路中去的器件,主要有Tvs管、壓敏電阻、氣體放電管,它們都有一個鉗位電壓,一旦超過該鉗位電壓,器件就會在連接點之間產生一個低阻抗,從而轉移有害的電流。
如果將隔離法和規避法相結合,就可以更好地保護系統。規避器件一方面可抑制浪涌保護隔離器件,也可以抑制總線上產生的差模形式浪涌。隔離器件抑制共模形式浪涌,保護主設備。兩者相輔相成,能夠更好地保護總線設備。
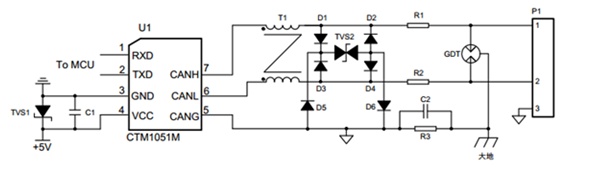
舉個例子,CAN的接口防護一般是在收發器外加隔離保護器件,如光耦、磁耦等。為接口設計方便,我們可以使用一體化的收發器模塊,和自主搭建電路比,使用方便,簡化電路,環境適應性更強。這類加隔離模塊防共模浪涌設計比較常見就不多做贅述了。這里重點談一下增加差模形式浪涌防護的方法。常用規避保護的器件有GDT、TVS以及共模電感。如圖1所示,GDT被放置于接口最前端,提供第一級的雷擊浪涌防護。當雷擊、浪涌產生時,GDT瞬間達到低阻狀態,為瞬時大電流提供泄放通道,將CAN_H、CAN_L間電壓鉗制在二十幾伏范圍內。后端的TVS提供第二級浪涌防護,具體規格可根據需求選擇。
